Prop Shaft Seal Replacement Yamaha . Remove the gearcase oil fill level plug to make it easier for the lower unit oil to. You will need two of each part number to. prop shaft seals need to be replaced on every yamaha f225 outboard from time to time. Changing damaged seals can help save your outboard or sterndrive gear case. how to replace yamaha 60hp outboard prop seals. buy a yamaha outboard replacement prop shaft seal here. A common boating mishap is getting fishing line wrapped around the prop shaft behind the propeller of an outboard or sterndrive. ask the experts on our yamaha outboard forum for repair issues, diagnosing problems, links to diagrams,. replacing seals on prop shafts. some info on how to and what to look for when servicing an outboard.prop seal. It's not a difficult job,.
from www.boats.net
buy a yamaha outboard replacement prop shaft seal here. replacing seals on prop shafts. Changing damaged seals can help save your outboard or sterndrive gear case. It's not a difficult job,. prop shaft seals need to be replaced on every yamaha f225 outboard from time to time. some info on how to and what to look for when servicing an outboard.prop seal. Remove the gearcase oil fill level plug to make it easier for the lower unit oil to. A common boating mishap is getting fishing line wrapped around the prop shaft behind the propeller of an outboard or sterndrive. how to replace yamaha 60hp outboard prop seals. You will need two of each part number to.
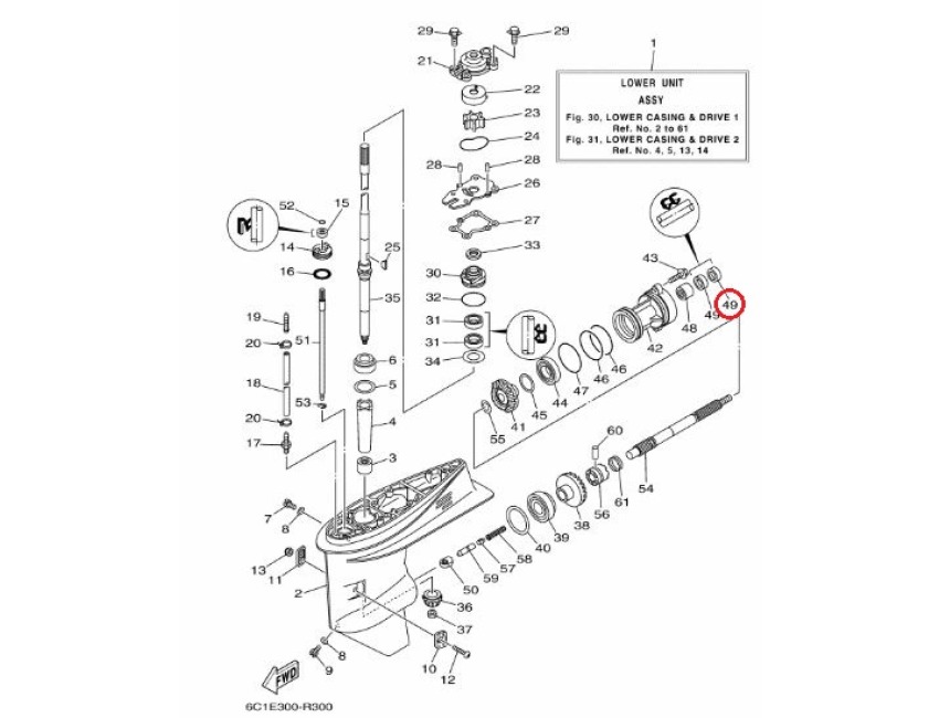
How to Replace Yamaha Outboard Prop Shaft Oil Seals
Prop Shaft Seal Replacement Yamaha It's not a difficult job,. ask the experts on our yamaha outboard forum for repair issues, diagnosing problems, links to diagrams,. prop shaft seals need to be replaced on every yamaha f225 outboard from time to time. Remove the gearcase oil fill level plug to make it easier for the lower unit oil to. replacing seals on prop shafts. how to replace yamaha 60hp outboard prop seals. Changing damaged seals can help save your outboard or sterndrive gear case. You will need two of each part number to. It's not a difficult job,. A common boating mishap is getting fishing line wrapped around the prop shaft behind the propeller of an outboard or sterndrive. buy a yamaha outboard replacement prop shaft seal here. some info on how to and what to look for when servicing an outboard.prop seal.
From ssimarine.co.uk
SET 2 PROP SHAFT OIL SEAL 9310117054 9.9HP 15HP FOR YAMAHA OUTBOARD Prop Shaft Seal Replacement Yamaha ask the experts on our yamaha outboard forum for repair issues, diagnosing problems, links to diagrams,. prop shaft seals need to be replaced on every yamaha f225 outboard from time to time. Remove the gearcase oil fill level plug to make it easier for the lower unit oil to. buy a yamaha outboard replacement prop shaft seal. Prop Shaft Seal Replacement Yamaha.
From www.boats.net
How to Replace Yamaha Outboard Prop Shaft Oil Seals Prop Shaft Seal Replacement Yamaha how to replace yamaha 60hp outboard prop seals. You will need two of each part number to. some info on how to and what to look for when servicing an outboard.prop seal. ask the experts on our yamaha outboard forum for repair issues, diagnosing problems, links to diagrams,. Changing damaged seals can help save your outboard or. Prop Shaft Seal Replacement Yamaha.
From www.boats.net
How to Replace Yamaha Outboard Prop Shaft Oil Seals Prop Shaft Seal Replacement Yamaha A common boating mishap is getting fishing line wrapped around the prop shaft behind the propeller of an outboard or sterndrive. replacing seals on prop shafts. ask the experts on our yamaha outboard forum for repair issues, diagnosing problems, links to diagrams,. It's not a difficult job,. prop shaft seals need to be replaced on every yamaha. Prop Shaft Seal Replacement Yamaha.
From www.sterndrive.cc
Sterndrive Engineering Prop Shaft Seal Prop Shaft Seal Replacement Yamaha some info on how to and what to look for when servicing an outboard.prop seal. It's not a difficult job,. You will need two of each part number to. ask the experts on our yamaha outboard forum for repair issues, diagnosing problems, links to diagrams,. how to replace yamaha 60hp outboard prop seals. prop shaft seals. Prop Shaft Seal Replacement Yamaha.
From www.boats.net
How to Replace Yamaha Outboard Prop Shaft Oil Seals Prop Shaft Seal Replacement Yamaha how to replace yamaha 60hp outboard prop seals. A common boating mishap is getting fishing line wrapped around the prop shaft behind the propeller of an outboard or sterndrive. replacing seals on prop shafts. Changing damaged seals can help save your outboard or sterndrive gear case. Remove the gearcase oil fill level plug to make it easier for. Prop Shaft Seal Replacement Yamaha.
From www.southwestairsports.com
Replacing the propeller shaft seal without disassembly Prop Shaft Seal Replacement Yamaha Changing damaged seals can help save your outboard or sterndrive gear case. some info on how to and what to look for when servicing an outboard.prop seal. Remove the gearcase oil fill level plug to make it easier for the lower unit oil to. how to replace yamaha 60hp outboard prop seals. prop shaft seals need to. Prop Shaft Seal Replacement Yamaha.
From www.youtube.com
HOW TO CHANGE LOWER UNIT SEALS Using DRYWALL Screws!!! Yamaha Lower Prop Shaft Seal Replacement Yamaha buy a yamaha outboard replacement prop shaft seal here. replacing seals on prop shafts. how to replace yamaha 60hp outboard prop seals. some info on how to and what to look for when servicing an outboard.prop seal. Remove the gearcase oil fill level plug to make it easier for the lower unit oil to. It's not. Prop Shaft Seal Replacement Yamaha.
From www.bottomlinemarine.com
Genuine YAMAHA Outboard Propeller shaft oil seal F8C F9.9F 93101 Prop Shaft Seal Replacement Yamaha buy a yamaha outboard replacement prop shaft seal here. Remove the gearcase oil fill level plug to make it easier for the lower unit oil to. Changing damaged seals can help save your outboard or sterndrive gear case. ask the experts on our yamaha outboard forum for repair issues, diagnosing problems, links to diagrams,. It's not a difficult. Prop Shaft Seal Replacement Yamaha.
From www.boats.net
How to Replace Yamaha Outboard Prop Shaft Oil Seals Prop Shaft Seal Replacement Yamaha buy a yamaha outboard replacement prop shaft seal here. Remove the gearcase oil fill level plug to make it easier for the lower unit oil to. some info on how to and what to look for when servicing an outboard.prop seal. ask the experts on our yamaha outboard forum for repair issues, diagnosing problems, links to diagrams,.. Prop Shaft Seal Replacement Yamaha.
From ssimarine.co.uk
Add to Cart Prop Shaft Seal Replacement Yamaha Remove the gearcase oil fill level plug to make it easier for the lower unit oil to. prop shaft seals need to be replaced on every yamaha f225 outboard from time to time. Changing damaged seals can help save your outboard or sterndrive gear case. some info on how to and what to look for when servicing an. Prop Shaft Seal Replacement Yamaha.
From www.bottomlinemarine.com
YAMAHA Lower Gear Case Propeller shaft oil seal 9310125M03 Prop Shaft Seal Replacement Yamaha Remove the gearcase oil fill level plug to make it easier for the lower unit oil to. You will need two of each part number to. how to replace yamaha 60hp outboard prop seals. some info on how to and what to look for when servicing an outboard.prop seal. ask the experts on our yamaha outboard forum. Prop Shaft Seal Replacement Yamaha.
From www.youtube.com
How to replace Yamaha propeller shaft seal yamaha boat YouTube Prop Shaft Seal Replacement Yamaha It's not a difficult job,. replacing seals on prop shafts. some info on how to and what to look for when servicing an outboard.prop seal. how to replace yamaha 60hp outboard prop seals. Remove the gearcase oil fill level plug to make it easier for the lower unit oil to. prop shaft seals need to be. Prop Shaft Seal Replacement Yamaha.
From www.boats.net
How to Replace Yamaha Outboard Prop Shaft Oil Seals Prop Shaft Seal Replacement Yamaha prop shaft seals need to be replaced on every yamaha f225 outboard from time to time. It's not a difficult job,. Changing damaged seals can help save your outboard or sterndrive gear case. You will need two of each part number to. ask the experts on our yamaha outboard forum for repair issues, diagnosing problems, links to diagrams,.. Prop Shaft Seal Replacement Yamaha.
From www.boats.net
How to Replace Yamaha Outboard Prop Shaft Oil Seals Prop Shaft Seal Replacement Yamaha how to replace yamaha 60hp outboard prop seals. Changing damaged seals can help save your outboard or sterndrive gear case. A common boating mishap is getting fishing line wrapped around the prop shaft behind the propeller of an outboard or sterndrive. prop shaft seals need to be replaced on every yamaha f225 outboard from time to time. . Prop Shaft Seal Replacement Yamaha.
From www.bottomlinemarine.com
Genuine YAMAHA Outboard Propeller shaft oil seal F40 F50 F60 93101 Prop Shaft Seal Replacement Yamaha some info on how to and what to look for when servicing an outboard.prop seal. It's not a difficult job,. how to replace yamaha 60hp outboard prop seals. A common boating mishap is getting fishing line wrapped around the prop shaft behind the propeller of an outboard or sterndrive. prop shaft seals need to be replaced on. Prop Shaft Seal Replacement Yamaha.
From ssimarine.co.uk
SET 2 PROP SHAFT OIL SEAL 9310120048 9.9HP 15HP FOR YAMAHA OUTBOARD Prop Shaft Seal Replacement Yamaha It's not a difficult job,. how to replace yamaha 60hp outboard prop seals. A common boating mishap is getting fishing line wrapped around the prop shaft behind the propeller of an outboard or sterndrive. prop shaft seals need to be replaced on every yamaha f225 outboard from time to time. ask the experts on our yamaha outboard. Prop Shaft Seal Replacement Yamaha.
From www.sterndrive.cc
Sterndrive Engineering Seal, Prop Shaft Prop Shaft Seal Replacement Yamaha Remove the gearcase oil fill level plug to make it easier for the lower unit oil to. prop shaft seals need to be replaced on every yamaha f225 outboard from time to time. replacing seals on prop shafts. ask the experts on our yamaha outboard forum for repair issues, diagnosing problems, links to diagrams,. It's not a. Prop Shaft Seal Replacement Yamaha.
From www.ebay.com
Prop Shaft Oil Seal Yamaha 9310130002 eBay Prop Shaft Seal Replacement Yamaha how to replace yamaha 60hp outboard prop seals. replacing seals on prop shafts. buy a yamaha outboard replacement prop shaft seal here. Remove the gearcase oil fill level plug to make it easier for the lower unit oil to. It's not a difficult job,. prop shaft seals need to be replaced on every yamaha f225 outboard. Prop Shaft Seal Replacement Yamaha.